galvanische Trennung  

Wenn zwischen zwei elektrischen oder elektronischen Schaltungen, die funktional miteinander in Verbindung stehen, kein
Gleichstrom* fließen kann, also keine leitende Verbindung besteht, spricht man von einer galvanischen Trennung.  

Da in der Regel der eine Teil einer Schaltung auf den anderen auch dann einwirken soll, wenn kein Gleichstrom fließen darf, bedient man sich der induktiven oder optischen Übertragung.

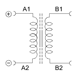
Ein Beispiel für die induktive Übertragung ist der Transformator. Es handelt sich um einen Eisenkern, auf dem sich zwei (oder mehr) Drahtwicklungen befinden. Diese sind untereinander nicht verbunden und damit getrennt. Gleichstrom kann so nicht fließen, siehe linkes Bild. 

Anders verhält es sich, wenn an eine Wicklung Wechselspannung angelegt wird, (rechtes Bild). Ist die Anzahl der Windungen auf beiden Seiten gleich, wird die Ausgangs-Wechselspannung gleich der Eingangsspannung sein. Der Wechselstrom erzeugt auf  der Eingangsseite ein sich ständig änderndes Magnetfeld, das auf den Eisenkern einwirkt. Dieser induziert auf der anderen Seite eine Spannung in der dortigen Wicklung.  

Eine optische Übertragung kann man zum Beispiel mit einem “Optokoppler” bewerkstelligen. Bei ihm befinden sich eine Leuchtdiode und (gegenüber) eine Fotodiode in einem gemeinsamen Gehäuse. Wird an die LED eine Spannung angelegt, leuchtet sie.

Die Fotodiode wird durch das auf sie treffende Licht leitend. Optokoppler findet man regelmäßig in Schaltnetzteilen, die keinen herkömmlichen Netztrafo besitzen. Um die Ausgangsspannung stabilisieren zu können, wirkt der Sekundärkreis trotz galvanischer Trennung über den Optokoppler auf den Primärkreis ein. 

.